PAM06是一种低成本高性能的功率运算放大器,可在许多工业应用中提供经济高效的解决方案。PAM06更高可承受±100V的供电电压,具有40kHz的功率带宽和125W的功率耗散能力,同时PAM06提供四线制电流检测和外部补偿功能,用户可根据需求来选择限流电阻和外部补偿的大小。
PAM06是一种低成本高性能的功率运算放大器,可在许多工业应用中提供经济高效的解决方案。PAM06更高可承受±100V的供电电压,具有40kHz的功率带宽和125W的功率耗散能力,同时PAM06提供四线制电流检测和外部补偿功能,用户可根据需求来选择限流电阻和外部补偿的大小。
应用范围
喷墨打印机头的驱动器
压电换能器的驱动器
工业仪器仪表
电机驱动
磁场激励
可编程电源
工业音响
安全工作区域
PAM06的MOSFET输出不受BJT的二次击穿考虑的限制。但是,安全工作区域需要考虑温度因素和电流处理能力。
电流限制
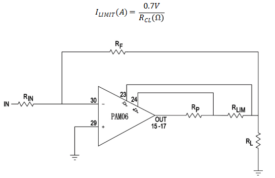
PAM06可以接成输出电流保护模式,如图4连接。两个限流检测线-CL、+CL分别接在电阻的低电位和高电位端,不可接反。限流值可按如下方式计算。

补偿
Cc和Rc为外部补偿器件,根据所选择增益的大小,选择合适的电容和电阻值。

规格
